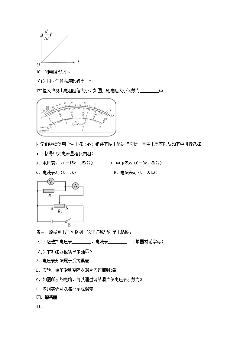
>
【文档预览】 文档大全网整理发布2023年天津学考等级性考试物理真题及答案(Word版),前五页预览如下:
本文来源:https://www.wddqw.com/5Zxv.html
相关文章:
正在阅读:
2023年天津学考等级性考试物理真题及答案(Word版)07-13
为你而歌作文700字09-21
我长大了三年级作文1000字07-06
小学生六年级正能量作文300字12-31
英国投资移民新政策2020|英国投资移民的新政策变化10-30
2020年北京市石景山中考第一次英语听说计算机考试成绩查询入口(已开通)01-05
辽宁高考时间2020具体时间:7月7日-9日11-27
辽宁丹东2019年初级会计考试合格证书领取时间02-16
2019年广东中山一级建造师考试成绩合格人员公示01-15
大学生实习月报5篇02-14
九龙湾采摘作文400字07-06