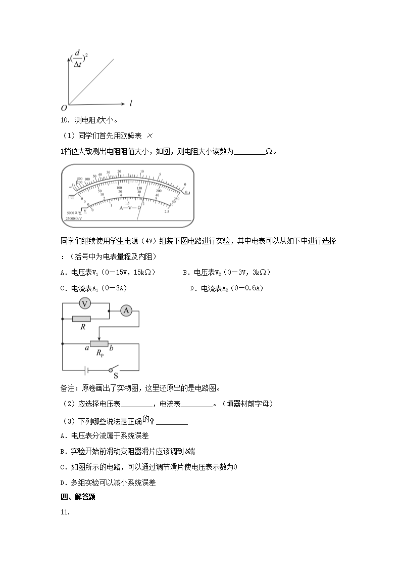
>
【文档预览】 文档大全网整理发布2023年天津普通高中学业水平等级性考试物理真题及答案(Word版),前五页预览如下:
本文来源:https://www.wddqw.com/fZxv.html
相关文章:
正在阅读:
2023年天津普通高中学业水平等级性考试物理真题及答案(Word版)07-13
[三八妇女节主持词开场白]三八妇女节活动主持词分享12-13
平板电脑如何刷机(图文)06-03
[2016中考数学试卷及答案]2016司考试卷及答案03-10
2018年入党积极分子自我鉴定|2018年医生自我鉴定大全06-10
2023年11月广西公共英语五级考试报名时间、对象、条件及入口[10月17日-19日]10-19
难忘的夏令营作文600字07-03
湖南沅陵县事业单位2016年留学生招聘人员报名考试时间及地点04-07
北京通州2017成人高考报名条件01-31
2023年上海静安成人高考网上报名时间及条件09-06
审计师考试试题《审计理论与实务》每日一练:审计质量控制(3.23)11-02