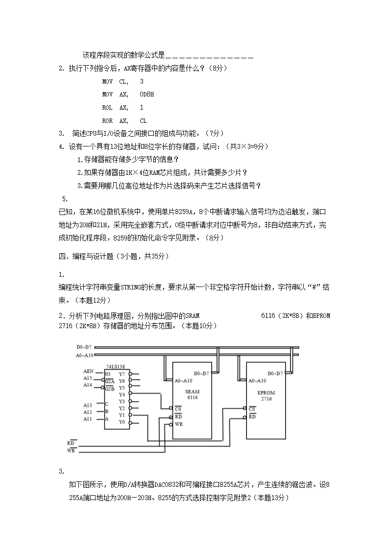
>
【文档预览】 文档大全网整理发布2013年广西桂林电子科技大学微机原理及应用考研真题(Word版),前五页预览如下:
本文来源:https://www.wddqw.com/VmTv.html
相关文章:
正在阅读:
2013年广西桂林电子科技大学微机原理及应用考研真题(Word版)05-31
学校共青团入团申请书600字范文10-10
高三优秀作文:将诱惑拒之门外12-20
2017高考作文素材:免费而珍贵的礼物09-28
社区综治维稳工作计划,社区综治工作计划范本11-03
2018年海南省地震局事业单位招聘公告06-05
法国雷恩商学院国际商务谈判理学硕士课程的基本介绍05-03
学校办公室主任工作总结三篇09-26
军训让我成长作文700字01-13
韩国移民美国的条件是什么,韩国移民的方式条件!06-26
小学快乐的儿童节作文400字【三篇】06-09