>
【文档预览】 文档大全网整理发布2023年二级建造师建筑实务考试真题及答案-1天考3科(Word版),前五页预览如下:
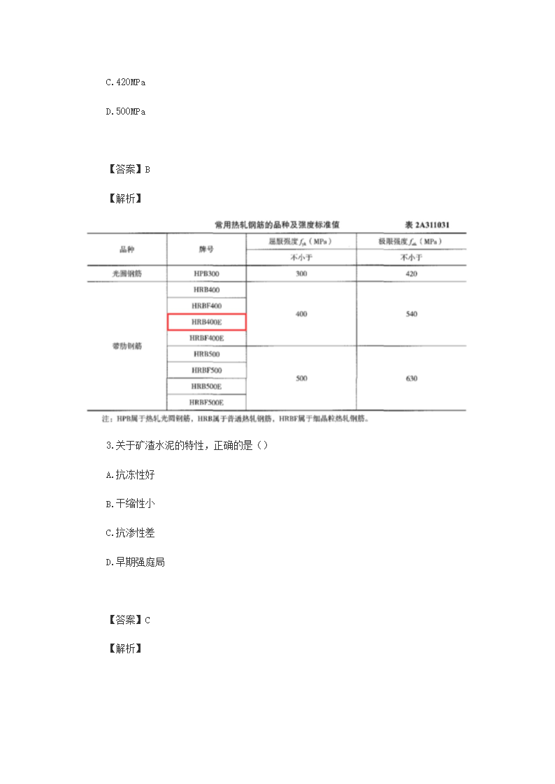
本文来源:https://www.wddqw.com/yoZv.html
相关文章:
正在阅读:
2023年二级建造师建筑实务考试真题及答案-1天考3科(Word版)06-05
儿童才艺切莫走进3误区08-12
重庆双桥2018年国家公务员考试时间安排01-28
2018年全新高考作文题目点评精选【三篇】06-13
2021-2022学年北京大兴区初三第一学期语文期末试卷及答案(Word版)06-28
2020年海南房地产估价师职业资格考试合格人员证书领取通知06-24
出国留学推荐信格式范文_出国留学推荐信格式要求08-11
2020年海南省普通高考综合改革有关政策解读12-20
上班迟到检讨书范文2022年(集锦10篇)11-18
厨神爸爸作文500字06-26
2020年浙江妇产科主治医师考试成绩查询网站:中国卫生人才网www.21wecan.com10-26