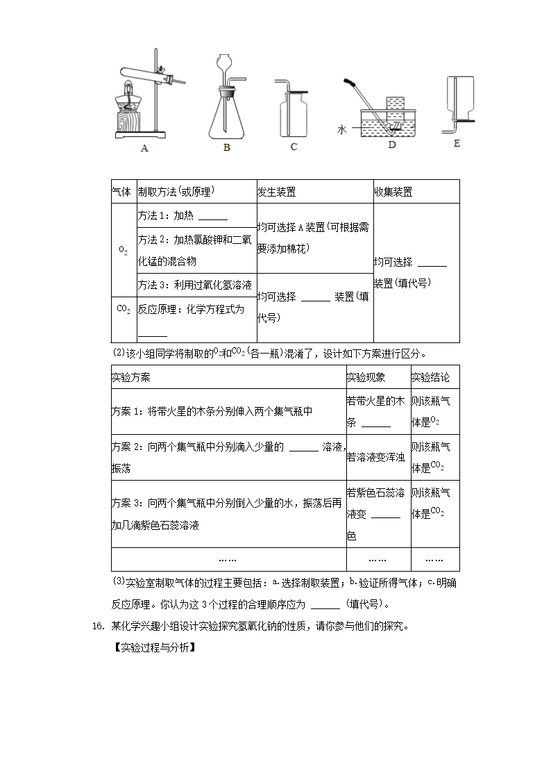
>
【文档预览】 文档大全网整理发布2021年甘肃省白银市中考化学真题及答案(Word版),前五页预览如下:
本文来源:https://www.wddqw.com/yFVv.html
相关文章:
正在阅读:
2021年甘肃省白银市中考化学真题及答案(Word版)09-22
2017英语四级口语考试练习题(5)08-23
2018陕西中考录取通知书领取方式07-01
关于做好广东省2021年普通高校招生统一考试报名工作的通知10-21
广东广州2020年4月自考准考证打印时间:考前10天内12-24
2020年安徽马鞍山成人高考准考证打印时间:10月16日-25日11-23
2015年广东省广州市中考数学试题及答案(Word版)10-21
会计实训报告实训日记_会计实训日记范本示例07-29
风景在路上作文1000字05-13
清明节晚辈需要回家烧纸吗,清明节晚辈温馨祝福短信09-24
内蒙古乌兰察布2019年考研时间:12月22日至12月23日07-22