空调上电无反应故障表现现象为:将空调器通上电源,上电复位时整机无任何反应,蜂鸣器不响、指示灯和显示屏均不亮,使用遥控器和应急开关按键均不能开机。常见故障部位为电源电路,本节将以格力普通挂式空调电脑板为例介绍。
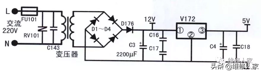
电源电路原理图、实物图见下图,关键点电压见表。



电源电路的作用是将交流V电压经降压、整流、滤波、稳压后转换为直流12V和5V为主板供电。
电容C为高频旁路电容,用以旁路电源引入的高频干扰信号;FU(3.15A保险管)、RV(压敏电阻)组成过压保护电路。当输入电压正常时,对电路没有影响;而当电压高于交流约V, RV迅速击穿,将前端FU保险管熔断,从而保护主板后级电路免受损坏。
变压器、D1~D4 (整流二极管)、D、E3(主滤波电容)、C16、C17组成降压、整流、滤波电路。变压器将输入电压交流V降低至约交流12V从二次统组输出,至由D1~D4组成的桥式整流电路,变为脉动直流电(其中含有交流成分),经D再次整流、E3滤波,滤除其中的交流成分,成为纯净的约12V直流电压,为主板12V负载供电。
本电路没有使用稳压块,直流12V电压实测为11-16V,并且随输入的交流V电压变化而变化。
V、C4、C18组成5V电压产生电路。V( )为5V稳压块,①脚输入端为直流12V,经内部电路稳压,③脚输出端输出稳定的直流5V电压,为5V负载供电。
1 .将导风板扳到中间位置
拔下空调器电源插头,用手将上下导风板扳到中间位置,见图。再为空调器通上电源,观察导风板状态以区分故障。
空调器正常时导风板应能自动关闭,此时可说明室内机主板直流5V电压正常且CPU工作正常,所表现的上电无反应故障可能为不接收遥控信号故障。
重新上电后导风板位置保持不变,说明空调器有故障,应进入第2检修步骤。

2.测量插座电压
使用万用表交流电压挡,测量为空调器供电的电源插座电压。
如实测电压为交流V,说明供电正常,故障在室内机,进入第3检修步骤。
如实测电压为交流0V,说明空调器供电线路有故障,应检査电源插座或空气开关处电压等。

3.测量电源插头阻值
使用万用表电阻挡,测量电源插头L_N阻值以区分故障。
如实测阻值为变压器一次绕组阻值约Ω,说明变压器一次绕组回路正常,进入第6检修步骤。
如实测阻值为无穷大,说明变压器一次绕组回路有开路故障,进入第4检修步骤,重点检查变压器一次绕组、保险管等。

正在阅读:
三星空调故障代码e101(普通定频空调上电无反应故障检修方法)06-09
初中庆祝圣诞节经典祝福寄语02-14
2017年福建高考表演类(影视表演方向)省级统一考试大纲03-12
我熟悉的断尺作文450字10-12
四川外语学院网站:http://www.sisu.edu.cn/sisu2013/01-03
2022重庆法律职业资格考试准考证打印时间及入口【客观题9月7日起主观题10月11日起】06-15
2017结婚司仪主持词11-24
行政管理专业应届生简历04-12
难忘的跳蚤市场作文300字09-04